متابعة
484
3
194
Trick Drawing
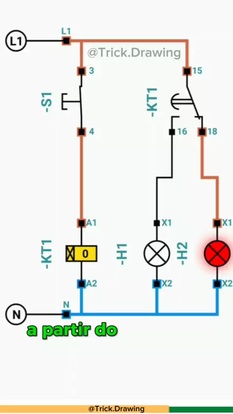
como funciona um temporizador On Delay? #comandoseletricos #engenhariaeletrica #industrial #industria #trickdrawing
المزيد
تقييم
إلغاء
إرسال